Запасные части ЧТЗ Запасные части ЧТЗ
Петрозаводск
Например:
Актобе
Алдан
или
Выбрать автоматически
Актобе
Алдан
Алматы
Алчевск
Архангельск
Астана
Астрахань
Атырау
Баку
Балашиха
Барнаул
Белгород
Бердянск
Бишкек
Владивосток
Владикавказ
Воркута
Воронеж
Горловка
Грозный
Донецк
Екатеринбург
Иваново
Ижевск
Иркутск
Казань
Калининград
Каменск-Уральский
Караганда
Каховка
Кемерово
Киров
Комсомольск-на-Амуре
Костанай
Краснодар
Красноярск
Красный луч
Ленск
Луганск
Магадан
Магнитогорск
Макеевка
Махачкала
Мелитополь
Минск
Мирный (Якутия)
Москва
Мурманск
Нерюнгри
Нижневартовск
Нижний Новгород
Нижний Тагил
Новая каховка
Новокузнецк
Новосибирск
Новый Уренгой
Норильск
Ноябрьск
Нур-Султан
Омск
Оренбург
Ош
Павлодар
Пермь
Петрозаводск
Петропавловск
Петропавловск-Камчатский
Псков
Ростов-на-Дону
Салехард
Самара
Санкт-Петербург
Саратов
Севастополь
Семей
Симферополь
Сочи
Ставрополь
Сургут
Сыктывкар
Тараз
Ташкент
Токмак
Томск
Тында
Тюмень
Ульяновск
Усинск
Усть-Каменогорск
Уфа
Хабаровск
Ханты-Мансийск
Херсон
Челябинск
Чита
Шымкент
Экибастуз
Энергодар
Южно-Сахалинск
Якутск
Ваш город
Петрозаводск
Войти
Запасные части к тракторам на одном сайте
+7 (932) 303-00-10
+7 (932) 303-00-10
г. Петрозаводск, ул. Заводская, д. 18
Пн-Пт: 9:30-18:30 Cб-Вс: Выходной
Отправить заявку


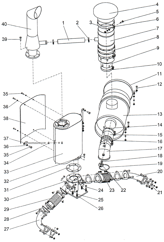
Система всасывания и выхлопа ПК46


/
с НДС 20%
Описание
ПК46.32.00.000 Система всасывания и выхлопа ПК46
Поз. Обозначение Наименование Кол. Масса
1 КБ11.32.00.001 Рукав 1 0,09
2 Хомут винтовой Н-28 2 0,016
3 Шайба 31308-1 2 0,003
4 ПК46.32.00.003 Доработка воздухозаборника 1 2,8
5 Болт 700-28-2381 2 0,03
6 Хомут 51-05-322-01 СП 2 0,094
7 Мультициклон 51-05-216СП 1 3,306
8 ПК46.32.00.063 Прокладка 1 0,1
9 ПК46.32.00.060 Переходник 1 1,2
10 КБ11.32.00.070 Хомут 1 0,16
11 027.36.11.224 Хомут 2 0,3
12 Болт М10-6g×45.58.019 (S16) ГОСТ 7798-70 2 0,037
13 Фильтр воздушный 740.1109510-03 1 20,7
14 КБ11.32.00.002 Болт 1 0,13
15 ПК46.32.00.002 Рукав компенсатор 1 0,35
16 Хомут винтовой Н-100 2 0,05
17 КБ11.32.00.040 Колпак 1 5,41
18 027.34.11.036 Прокладка 1 0,003
19 Кольцо 110-120-58-2-3 ГОСТ 18829-73 / ГОСТ 9833-73 1 0,005
20 ПК46.32.00.030 Патрубок левый 1 2,16
21 КБ11.32.00.004 Прокладка 2 0,07
22 Датчик-сигнализатор засоренности воздушного фильтра
131.3839 ТУ 37.131.3939-89
1 0,05
23 Гайка М10-6Н.5.019 (S16) ГОСТ 5915-70 26 0,012
24 Болт M10-6g×30.58.019 (S16) ГОСТ 7798-70 4 0,028
25 Шайба 10.65Г.019 ГОСТ 6402-70 30 0,002
26 Шайба С.10.02.019 ГОСТ 11371-78 8 0,003
27 ПК46.32.00.020 Патрубок правый 1 2,4
28 Прокладка 238НБ-1008054 4 0,012
29 Сильфон газопровода 238НБ.100.80.88-А 2 2,0
30 ПК46.32.00.040 Труба центральная 1 7,9
31 КБ11.32.00.005 Прокладка 1 0,75
32 Болт M10-6g×40.58.019 (S16) ГОСТ 7798-70 24 0,034
33 ПК46.32.02.000 Глушитель 1 24,2
34 Гайка М12-6Н.5.019 (S18) ГОСТ 5915-70 4 0,018
35 Болт М12-6g×30.58.019 (S18) ГОСТ 7798-70 6 0,036
36 Шайба 12.65Г.019 ГОСТ 6402-70 14 0,003
37 ПК46.32.02.010 Стяжка 2 0,27
38 ПК46.32.02 003 Лист 1 3,51
39 Болт М12-6g×35.58.019 (S18) ГОСТ 7798-70 6 0,045
40 ПК46.32.01.000 Эжектор 1 7.4
Общий вес, кг 71,5
Система всасывания и выхлопа