Запасные части ЧТЗ Запасные части ЧТЗ
Петрозаводск
Например:
Актобе
Алдан
или
Выбрать автоматически
Актобе
Алдан
Алматы
Алчевск
Архангельск
Астана
Астрахань
Атырау
Баку
Балашиха
Барнаул
Белгород
Бердянск
Бишкек
Владивосток
Владикавказ
Воркута
Воронеж
Горловка
Грозный
Донецк
Екатеринбург
Иваново
Ижевск
Иркутск
Казань
Калининград
Каменск-Уральский
Караганда
Каховка
Кемерово
Киров
Комсомольск-на-Амуре
Костанай
Краснодар
Красноярск
Красный луч
Ленск
Луганск
Магадан
Магнитогорск
Макеевка
Махачкала
Мелитополь
Минск
Мирный (Якутия)
Москва
Мурманск
Нерюнгри
Нижневартовск
Нижний Новгород
Нижний Тагил
Новая каховка
Новокузнецк
Новосибирск
Новый Уренгой
Норильск
Ноябрьск
Нур-Султан
Омск
Оренбург
Ош
Павлодар
Пермь
Петрозаводск
Петропавловск
Петропавловск-Камчатский
Псков
Ростов-на-Дону
Салехард
Самара
Санкт-Петербург
Саратов
Севастополь
Семей
Симферополь
Сочи
Ставрополь
Сургут
Сыктывкар
Тараз
Ташкент
Токмак
Томск
Тында
Тюмень
Ульяновск
Усинск
Усть-Каменогорск
Уфа
Хабаровск
Ханты-Мансийск
Херсон
Челябинск
Чита
Шымкент
Экибастуз
Энергодар
Южно-Сахалинск
Якутск
Ваш город
Петрозаводск
Войти
Запасные части к тракторам на одном сайте
+7 (932) 303-00-10
+7 (932) 303-00-10
г. Петрозаводск, ул. Заводская, д. 18
Пн-Пт: 9:30-18:30 Cб-Вс: Выходной
Отправить заявку


Конструктивные особенности дизеля с электростартерным пуском


/
с НДС 20%
Описание
На дизелях Д-160 с электростартерной системой пуска вместо пускового двигателя П-23У установлен электростартер мощностью 8,2 кВт.

Напряжение электрооборудования агрегата, необходимое для работы электростартера, составляет 24 В, электросхема пускового подогревателя, поставляемого по требованию заказчика, включается на напряжение 12 В.

На маховике дизеля вместо зубчатого венца с косыми зубьями установлен зубчатый венец с прямыми зубьями, а на носке коленчатого вала дизеля - гайка-храповик для проворачивания коленчатого вала специальной рукояткой, имеющейся в ЗИП.

Для облегчения пуска при минусовых температурах окружающего воздуха на дизель можно установить электрофакельное устройство и предпусковой подогреватель.

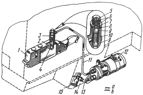
Электрофакельное устройство состоит из факельной свечи 9 (см. рис. 8) и электромагнитного клапана 10, закрепленных на патрубке между турбокомпрессором и впускным коллектором дизеля, а также резистора с электротермическим реле, реле блокировки и выключателя, которые приобретаются и устанавливаются отдельно эксплуатирующей организацией.

Топливо для ЭФУ из фильтра тонкой очистки 5 по топливопроводу 11 поступает к электромагнитному клапану 10 и, после его открытия, к штифтовой свече 9.

Принцип действия ЭФУ основан на испарении топлива в штифтовой свече, установленной во впускном трубопроводе дизеля, смешивании паров топлива с воздухом в горючую смесь и ее воспламенении от спирали накаливания, расположенной в свече.

Факел пламени нагревает поступающий в цилиндр дизеля воздух и тем самым облегчает пуск дизеля.

Особенности системы смазки дизеля с ЭССП
Рис. 52. Особенности системы смазки дизеля с ЭССП
1-плита маслораспределительная; 2-канал подвода масла в главную масляную магистраль; 3-клапан двойного действия; 4-канал подвода очищенного масла из центрифуги; 5-штуцер; 6-кольцо; 7-седло клапана; 8-кольцо; 9-шарик; 10-пружина; 11-трубопровод подвода масла от маслозакачивающего насоса к маслораспределительной плите; 12-маслозакачивающий насос (МЗН); 13-трубка забора масла из картера; 14-крышка люка; 15-картер; а-при работе МЗН; b-при работе дизеля.

В систему смазки дизеля (рис. 52) включены маслозакачивающий насос с электрическим приводом и клапан 3 двойного действия, установленный в маслораспределительную плиту 1. Маслозакачивающий насос устанавливается на люке картера со стороны масломерной линейки и служит для создания давления масла в системе смазки дизеля и турбокомпрессора.

Маслозакачивающий насос из резервуара 31 (см. рис. 15) картера по трубопроводу 11 (см. рис. 52) подает масло к маслораспределительной плите 1.

Клапан 3 двойного действия при работе МЗН перед пуском перекрывает канал 4, ведущий к масляной центрифуге и открывает канал 2 подвода смазки в главную масляную магистраль и в турбокомпрессор. При работе дизеля клапан 3 двойного действия перекрывает канал, соединенный с трубопроводом 11 подвода смазки от МЗН и открывает канал 4.
Особенности системы охлаждения дизеля с ЭССП
Рис. 53. Особенности системы охлаждения дизеля с ЭССП
1-труба отвода охлаждающей жидкости; 2-полость жидкостной рубашки охлаждения головки цилиндров; 3-полость жидкостной рубашки охлаждения цилиндров дизеля; 4-патрубок подвода охлаждающей жидкости в блок цилиндров дизеля; 5-крышка; 6-рукав соединительный; 7-патрубок системы охлаждения; 8-насос системы охлаждения.

Изменена схема подвода охлаждающей жидкости к дизелю. Насос 8 системы охлаждения (рис. 53) перекачивает охлаждающую жидкость по патрубку 4 только в блок дизеля без ответвления в пусковой двигатель.

Стартер 251.3708
Рис. 54. Стартер 251.3708
1-щетка изолированная; 2-пружина; 3-щетка неизолированная; 4-крышка коллектора; 5-коллектор; 6-болт стяжной; 7-шина соединительная; 8-реле тяговое; 9-якорь тягового реле; 10-кожух; 11-рычаг; 12-ось рычага; 13-болт подсоединения аккумуляторной батареи; 14-клемма подсоединения тягового реле к выключателю ВК 862Б; 15-болты крепления тягового реле; 16- шестерня; 17-привод стартера; 18-крышка привода. 19-корпус привода; 20-корпус стартера; 21-якорь стартера; 22-полюс.


Стартер 251.3708 (рис. 54), представляет собой электродвигатель постоянного тока с принудительным вводом шестерни привода в зацепление с маховиком и самовыключением шестерни после пуска дизеля.

Для ввода шестерни в зацепление с венцом маховика и включения цепи питания стартера служит электромагнитное тяговое реле, а для автоматического выключения шестерни (после пуска) применяется привод с муфтой свободного хода.

Установка стартера двигателя Д-160
Рис. 55. Установка стартера
1-стартер; 2-хомут; 3-кронштейн; 4-болт; 5-штифт; 6-прокладка; 7-втулка; 8-болт стяжной.

Стартер устанавливается на кронштейне 3 (рис. 55), укрепленном на кожухе маховика, фиксируется штифтом 5 и крепится к кронштейну двумя ленточными хомутами 2. При установке стартера на дизель выдерживать расстояние между привалочной плоскостью стартера и торцом зубчатого венца маховика (обращенным к стартеру), равное (46±0,14) мм и регулируемое прокладками 6.

Изменена кинематическая схема дизеля и номенклатура подшипников качения.
Конструктивные особенности дизеля с электростартерным пуском