Запасные части ЧТЗ Запасные части ЧТЗ
Петрозаводск
Например:
Актобе
Алдан
или
Выбрать автоматически
Актобе
Алдан
Алматы
Алчевск
Архангельск
Астана
Астрахань
Атырау
Баку
Балашиха
Барнаул
Белгород
Бердянск
Бишкек
Владивосток
Владикавказ
Воркута
Воронеж
Горловка
Грозный
Донецк
Екатеринбург
Иваново
Ижевск
Иркутск
Казань
Калининград
Каменск-Уральский
Караганда
Каховка
Кемерово
Киров
Комсомольск-на-Амуре
Костанай
Краснодар
Красноярск
Красный луч
Ленск
Луганск
Магадан
Магнитогорск
Макеевка
Махачкала
Мелитополь
Минск
Мирный (Якутия)
Москва
Мурманск
Нерюнгри
Нижневартовск
Нижний Новгород
Нижний Тагил
Новая каховка
Новокузнецк
Новосибирск
Новый Уренгой
Норильск
Ноябрьск
Нур-Султан
Омск
Оренбург
Ош
Павлодар
Пермь
Петрозаводск
Петропавловск
Петропавловск-Камчатский
Псков
Ростов-на-Дону
Салехард
Самара
Санкт-Петербург
Саратов
Севастополь
Семей
Симферополь
Сочи
Ставрополь
Сургут
Сыктывкар
Тараз
Ташкент
Токмак
Томск
Тында
Тюмень
Ульяновск
Усинск
Усть-Каменогорск
Уфа
Хабаровск
Ханты-Мансийск
Херсон
Челябинск
Чита
Шымкент
Экибастуз
Энергодар
Южно-Сахалинск
Якутск
Ваш город
Петрозаводск
Войти
Запасные части к тракторам на одном сайте
+7 (932) 303-00-10
+7 (932) 303-00-10
г. Петрозаводск, ул. Заводская, д. 18
Пн-Пт: 9:30-18:30 Cб-Вс: Выходной
Отправить заявку


Ремонт механизма навески Т-170 Б-170 трактора в Петрозаводске


/
с НДС 20%
Описание

Снятие механизма навески Т-170

Установка механизма навески

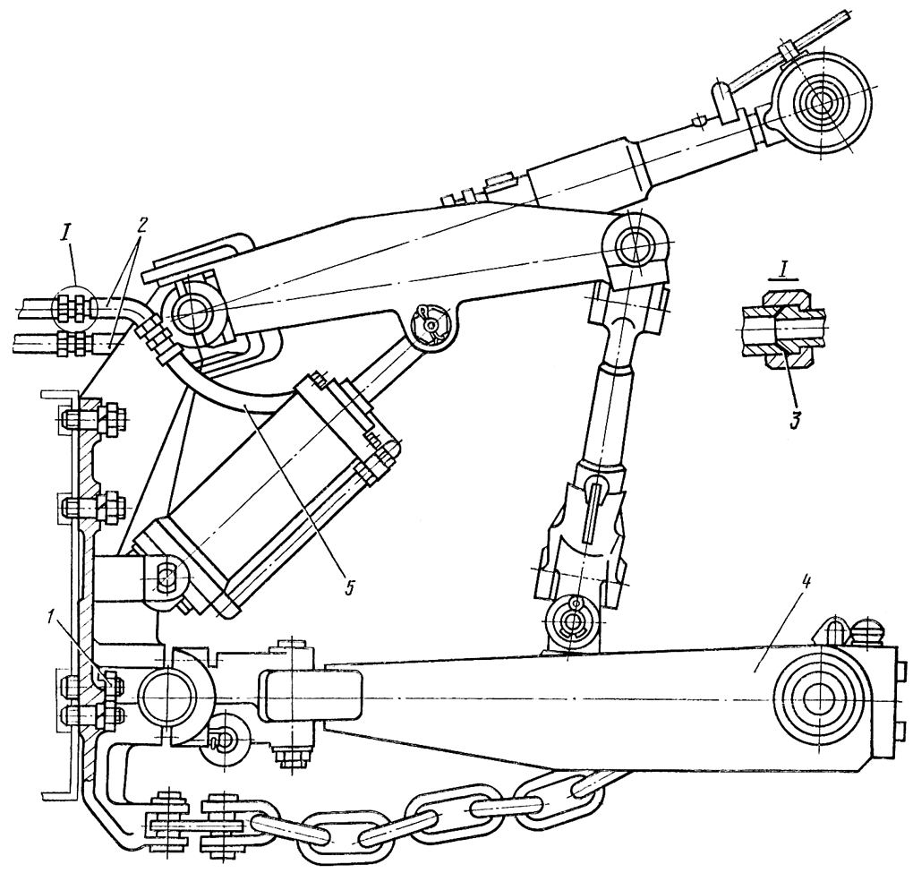
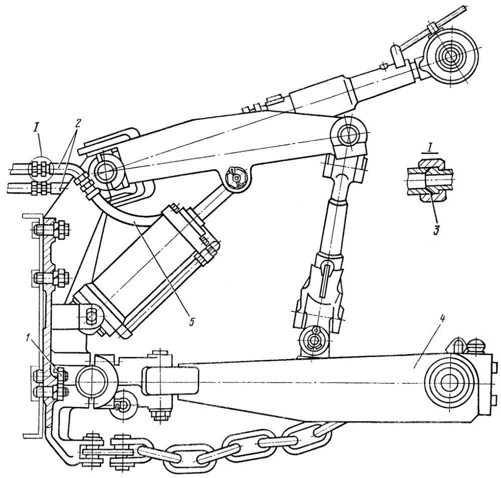
Рис. 332. Установка механизма навески

Закройте кран на левом гидробаке. Отверните накидные гайки рукавов 5 ( рис. 332 ) высокого давления от труб 2 и слейте масло из труб и рукавов.

Схема строповки механизма навески

Рис. 333. Схема строповки механизма навески

Прикрепите приспособлением ( рис. 333 ) механизм навески к подъемнику. Масса механизма навески 1135 кг. Отверните десять гаек 1 ( см. рис. 332 ) со шпилек крепления механизма 4 навески и снимите механизм навески с трактора. Отверните накидные гайки рукавов 5 высокого давления, снимите рукава. Снимите при необходимости трубы 2, отвернув накидные гайки. Закройте заглушками (из ЗИП) концы труб и штуцеров гидроцилиндров во избежание попадания грязи.

Установка механизма навески Т-170

Схема соединения рукавов высокого давления

Рис. 334. Схема соединения рукавов высокого давления

Снимите с двух крайних правых труб, идущих от распределителя 3 (рис. 334) назад, заглушки и закрепите на них трубы 2. Установите на трубы 2 два рукава 4 высокого давления. Соедините гидроцилиндры 1 рукавами 5 высокого давления.

Вверните в отверстия на заднем листе корпуса бортовых фрикционов десять шпилек, если они вывертывались

Прикрепите механизм навески к подъемнику и подайте его к трактору сзади. Установите, слегка раскачивая, механизм навески на шпильки корпуса бортовых фрикционов и закрепите десятью гайками 1 ( см. рис. 332 ) с пружинными шайбами. Момент затяжки гаек не менее 590 Н-м (60 кгс-м). Закрепите концы рукавов 4 ( см. рис. 334 ) высокого давления к правому цилиндру согласно схеме. Откройте кран на левом гидробаке.

Испытайте трассу высокого давления на герметичность с проверкой регулировки предохранительного клапана гидрораспределителя. Максимальное давление должно быть 18...20 МПа (180...200 кгс/см²). Опрессуйте трассу рабочей жидкостью, перемещая поочередно не менее восьми раз каждый из рычагов распределителя из положения ПОДЪЕМ в положение ПРИНУДИТЕЛЬНОЕ ОПУСКАНИЕ и обратно до срабатывания предохранительного клапана в течение 2...3 с. Течь масла в соединениях не допускается. Если течь масла в соединениях труб 2 ( см. рис. 332 ) с трубами, идущими от распределителя, подтяжкой гаек не устраняется, установите кольца 3.

Ремонт механизма навески